| 产品分类 |
|
|
| 联系我们 |
| 全国服务热线: |
| 0318-8226429 |
| 手机:13932854890 |
| 邮箱:13932854890@139.com |
| 网址:www.zqrq.net |
| 地址:衡水市枣强镇门庄工业区 |
|
|
|
|
| 产品展示 |
您现在所在的位置:首页 > 产品展示 > 燃气调压器系列 |
|
|
| RTZ-*/*FQ型燃气调压器 |
产品用途
RTZ-*/*FQ型调压器适用于天然气、煤气、液化气、沼气和其他无腐蚀性气体调压和稳压,是替代衡量式(自力式)的新型调压器;应用于民用小区群楼调压及小型公寓设施。 |
产品特点
1、该系列调压器采用模块结构设计,信号管均为内置式,性能稳定、流量大、造价低、结构紧凑,可在线维护,极为方便。
2、超压自动切断。
3、该调压器还可配置成单路旁通(1+1)、双路加旁通(2+1)柜式调压系统。
|
主要技术参数 |
| 进口压力:≤0.4MPa |
 |
| 出口压力:1.0-30KPa(可调) |
| 稳压精度δP:±10% |
| 关闭压力:Pb≤1.25P2 |
| 工作温度:-20℃~60℃ |
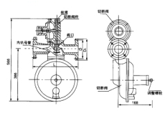
| 口径:DN50 DN80 |
| 口径 |
L |
D |
D1 |
| 50 |
254 |
125 |
165 |
| 80 |
298 |
160 |
200 |
|
|
|
流量表: |
| 流量对照表(Nm3/h) |
| 出口压力P2(Kpa) |
进口压力P1(Kpa) |
50FQ型 |
80FQ型 |
| 3 |
0.03 |
130 |
130 |
| 0.05 |
200 |
200 |
| 0.10 |
310 |
310 |
| 0.15 |
370 |
370 |
| 0.20 |
370 |
370 |
| 0.30 |
400 |
400 |
| 0.40 |
420 |
420 |
| 10 |
0.03 |
115 |
115 |
| 0.05 |
190 |
190 |
| 0.10 |
290 |
290 |
| 0.15 |
370 |
370 |
| 0.20 |
370 |
370 |
| 0.30 |
400 |
400 |
| 0.40 |
420 |
420 |
|
|
|